Региональное представительство АО ЧувашТоргТехника (ТМ Abat) в УрФОАбат-Урал - региональное представительство ТМ Abat в УрФО
Профессиональное оборудование для общепита

заказать звонок

Посудомоечная машина ММУ-1000М

1 252 049 руб 1252049
* цена указана без скидки
под заказ задать вопрос

Размеры (ДхШхВ), мм: 3720 x 1070 x 1300

купить в 1 клик
в корзину
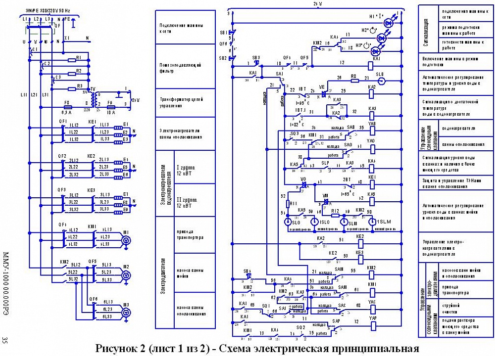
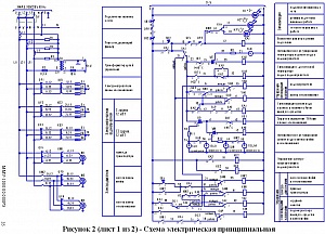
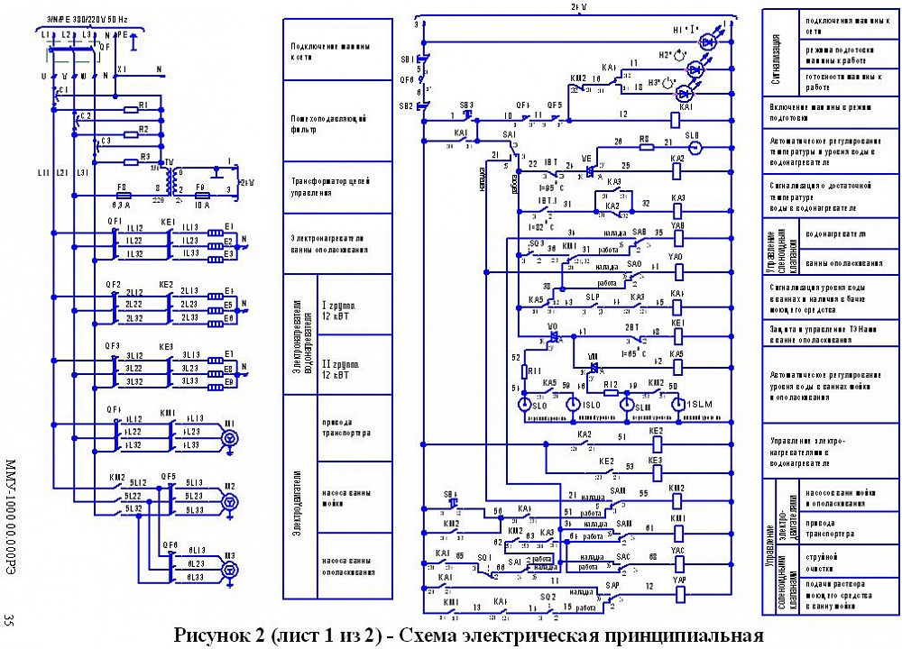
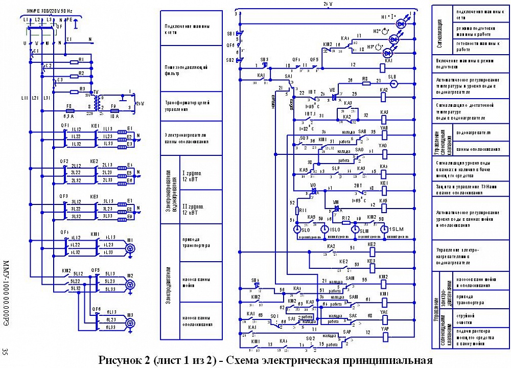
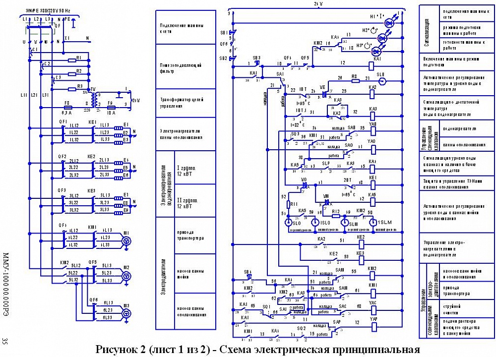
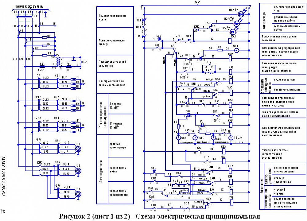
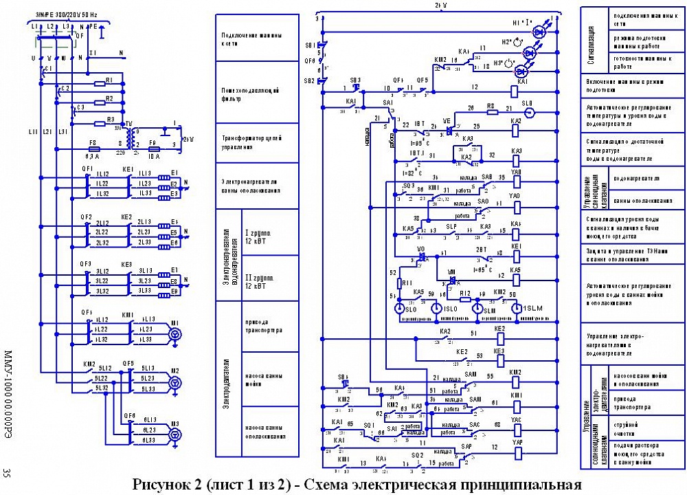
  • Тоннельная посудомоечная машина ГродТоргМаш ММУ-1000М предназначена для мытья тарелок, стаканов, чашек, столовых приборов и подносов размером не более 530х325 мм на предприятиях общественного питания. Модель оснащена электронной панелью управления.

    Посудомоечная машина подключается как к холодной, так и горячей воде.

    • Гродненский завод торгового машиностроения, Беларусь
    • www.grodtorgmash.com
    • 12 мес.
    • Напольное
    • Нержавеющая сталь
    • Нерж
    • Тоннельная
    • Да
    • Да
    • 200
    • 240мм
    • 560
    • 380
    • 35,7
    • 1600
    • 140
    • 392
    • 117
    • 535
    • 5 градусов
  • Оплатить оборудование, расходные материалы, товары и услуги возможно несколькими способами.

    Для юридических лиц доступны

    • безналичная оплата с расчетного счета
    • оплата наличными, банковской картой в офисе компании

    Для физических лиц доступна

    • оплата наличными, банковской картой в офисе компании

    Безналичная оплата с расчетного счета

    Менеджер отправит Вам счет на электронную почту, который Вы сможете оплатить в любом банке, либо через интернет-банк в течение 3-х банковских дней. После оплаты счета сообщите менеджеру номер платежного поручения, это ускорит обработку вашего заказа. Товар при оплате по безналичному расчету отпускается исключительно после поступления денежных средств на наш расчетный счет. Не успели оплатить? Обратитесь к менеджеру - он выставит новый счет и продлит резерв товара.   

    Наличный расчет

    После подтверждения заказа менеджером Вы можете приехать к нам в офис по адресу: 454048, г. Челябинск, ул. Худякова 12а и оплатить заказ.

    Если данного товара нет на складе, Вам сообщат сроки поставки, заключат договор поставки. Товар будет заказан при условии предоплаты, оговоренной в договоре, и поступившей на расчетный счет компании.


Всё оборудование, представленное ООО «Абат-Урал», имеет фирменную гарантию производителя. Все необходимые документы для гарантийного обслуживания входят в комплект оборудования. Срок гарантии определяется заводом-производителем.
Специалисты ООО «Абат-Урал» выполняют технологическое проектирование предприятий общественного питания и торговли любой сложности. Все проекты разрабатываются с учетом действующих Норм и Правил санитарного и пожарного контроля.

Связанные товары



Обратите внимание! Вся информация о товарах, размещенная на сайте, не является публичной офертой, определяемой положениями Части 2 Статьи 437 Гражданского кодекса РФ. Производители товаров вправе вносить изменения в технические характеристики, внешний вид и комплектацию товаров без предварительного уведомления. При оформлении заказа уточняйте актуальные характеристики товара у наших менеджеров.

Остались вопросы?

Оставьте заявку и наши специалисты ответят на все вопросы и помогут подобрать оборудование.
Мы используем файлы cookie, чтобы улучшить работу и повысить эффективность сайта. Продолжая работу с данным сайтом, Вы принимаете использование файлов cookie. Больше информации.. принимаю